The official Pad Spec 1570 CBU can be found here. Download PDF for printable version.
CONCRETE FOUNDATION PREPARATION
vital™ cluster box unit - 1570 "F" Series


CONCRETE FOUNDATION PREPARATION
vital™ cluster box unit - 1570 "F" Series
NEW CONCRETE BASE:
- 1)Depending on climatic and soil conditions in the area of installation, optional foundation material may be necessary as shown. Consult local building codes for recommendations.
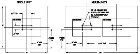
- 2)Refer to Table1 for thickness (h), width (w), and depth (d) of the concrete pad alternatives.
- 3)Concrete shall have a compressive strength of 3000 psi @ 28 days, contain 4% min ~ 6% max air entrapment and be placed with a 3.50~4.50 slump in accordance to 301.
- 4)Use wire mesh as per (Standard) or fier reinforced concrete as per (Standard).
EXISTING CONCRETE BASE:
- 1)Existing concrete pad must be at least 48" wide.
- 2)Concrete base and anchor bolts may be reused if:
- existing ½" diameter expansion anchor bolts are fimly embedded in the concrete and not damaged or corroded;
- concrete foundation is not damaged; and
- bolt hole pattern of the new unit matches the installed anchor bolts.
- 3)Additional considerations include:
- if concrete is only 4" thick, then option 'b' in Table 2 below cannot be used
- any unused, existing anchor bolts must be cut flsh to the level of the concrete surface
- if concrete is damaged, replacement of foundation pad is required
TABLE 1: Pad Recommendations
| h (Thickness) | w (Width) min | w (Depth) min |
|---|---|---|
| 4" | 47" | 47" |
| 5" | 44" | 44" |
| 6" | 42" | 42" |
| 7" | 40" | 40" |
| 8" | 39" | 39" |
TABLE 2:
| Expansion Anchor Bolt Recommendations |
|---|
| a. Hilti Bolt II
- 1/2 inch diameter x 5 1/2 inches overall length - Galvanized - KB II 12-512, Stainless steel Mininum embedment in concrete must be at least 3 1/2 inches |
| b. ITW Ramset Redhead Turbolt
- 1/2 inch diameter x 7 inches overall length - Galvanized Mininum embedment in concrete must be at least 4 1/8 inches |
| c. Rawl Stud
- 1/2 inch diameter x 5 1/2 inches overall length - Galvanized Mininum embedment in concrete must be at least 4 inches |